Purpose:The SM-6 Binocular Pre-Autocollimator is used to inspect the optical axis misalignment and magnification difference of binocular telescope systems. It is widely applied in specialized optical testing instruments and serves as one of the essential tools in the assembly and adjustment processes of optical instrument manufacturing.
Product Structure

① Mirror tubes
② Eyepiece
③ Locking screws
④ Pedestal
⑤ Adjustment screws

Reticle schematic
Operating Instructions
Adjust the eyepiece diopter until the crosshair reticle appears sharp and clear. When measuring optical axis alignment, first align the crosshairs of the non-graduated reticle with the target reticle. Then, read the optical axis error directly from the graduated crosshair reticle.
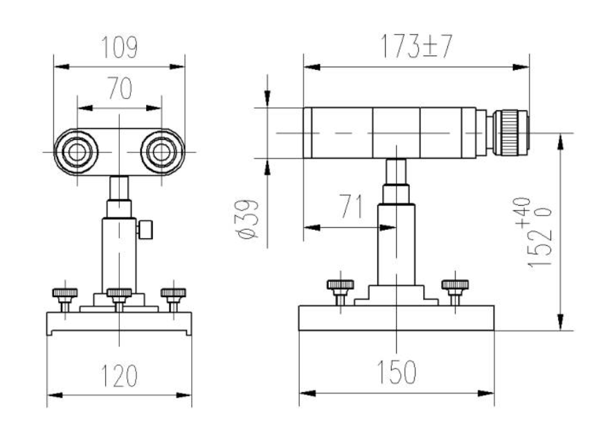
External dimensions:(Unit: mm)

High-Precision Optical Measurement
The SM-6 Binocular Pre-Autocollimator enables accurate angular and alignment measurements, making it an ideal tool for precision machining, optical calibration, and laser system adjustments.
Superior Optical Components
Equipped with high-quality optical lenses and anti-reflective coatings, this autocollimator provides clear image visibility and reduced light dispersion for high-precision measurements.
Versatile Industrial Applications
Designed for aerospace, defense, metrology, and laboratory research, the SM-6 Autocollimator is suitable for surface flatness inspection, angular deviation analysis, and parallel alignment.
Reliable & Durable Construction
Built with robust metal housing and precision-machined components, this autocollimator offers long-lasting durability and resistance to environmental factors.
Product Advantages
- Ultra-High Measurement Accuracy– Optimized for angular alignment and surface metrology with minimal deviation.
- Wide Application Compatibility – Ideal for auto collimators, optical metrology, and quality control systems.
- Precision Optical Engineering – Uses advanced lens coatings and high-resolution optics for sharp, clear image quality.
- Flexible Measurement Range– Supports custom focal lengths and aperture sizes for varied industrial applications.
- Reliable Performance – Manufactured using high-end CNC machining for tight tolerances and long-term stability.
About us
Chinacqyl is a leading manufacturer and supplier of high-precision optical and X-ray collimators, serving industries such as medical imaging, industrial inspection, and scientific research. With years of expertise in radiation control and optical alignment, we provide cutting-edge solutions for high-performance imaging and analysis.
Why Choose Us?
- Advanced Manufacturing Technology – Our state-of-the-art production facilities ensure high-precision collimators with strict quality control standards.
- Customized Solutions – We offer tailor-made collimators to fit various industry needs, including different beam shapes, energy levels, and mounting options.
- Strict Quality Assurance – All products undergo rigorous quality inspections and certifications, ensuring superior durability and performance.
- Competitive Pricing & Fast Lead Time – We provide cost-effective solutions without compromising on quality, with on-time delivery for all orders.
- Excellent Customer Support – Our dedicated team offers comprehensive pre-sales and after-sales support, ensuring a smooth purchasing experience.
FAQ
1. Who are we?
We are Chinacqyl, a professional manufacturer and supplier of X-ray and optical collimators, dedicated to providing high-quality radiation control solutions for industries such as medical imaging, industrial inspection, and scientific research.
2. How can we guarantee quality?
We implement strict quality control throughout the production process, from raw material selection to final inspection. Our products comply with ISO-certified manufacturing standards, ensuring high durability, precision, and performance.
3. What can you buy from us?
We offer a variety of high-precision collimators, including:
- X-ray collimatorsfor medical imaging and industrial applications
- Optical collimatorsfor laser alignment and scientific research
- Custom collimation solutionstailored to specific industry needs
4. Why should you buy from us instead of other suppliers?
- Extensive industry experience– Years of expertise in optical and radiation control technology.
- Custom manufacturing– Solutions tailored to your specific imaging and alignment needs.
- High-quality materials– Ensuring low radiation scatter and long-term durability.
- Competitive pricing– Direct factory pricing for cost-effective solutions.
- Excellent support– Dedicated customer service for fast response and expert guidance.
5. What services can we provide?
- OEM & ODM customization– Tailor-made collimators based on your technical specifications.
- Technical consultation– Expert advice on the best collimation solution for your application.
- Fast delivery & logistics support– On-time shipping with worldwide delivery options.
- After-sales service– Full technical support and product assistance after purchase.
Get in Touch Today!
Need high-performance collimation solutions for your industry? Contact us now for a free consultation and a competitive quote!

