PRODUCT PURPOSE
The field of view instrument is used to examine the field of view of optical systems. The SCY-2 field of view instrument is essentially a wide-field collimated light tube. It utilizes a wide-angle photographic objective lens that provides good imaging quality over a large field of view. A large-diameter reticle is placed at the focal plane of the objective lens, with a crosshair etched on it. The field of view of the optical system under test can be directly read from the crosshairs on the reticle.
PRODUCT COMPOSITION

① Eyepiece
② Light source
③ Locking screws
④ Adjust the handwheel
USAGE INSTRUCTIONS
Turn on the illumination power of the field of view instrument, then align the objective of the tested product with the field of view instrument’s objective. Adjust the eyepiece of the tested product to clearly observe the reticle of the field of view instrument. At this point, the edge of the tested instrument’s aperture will intersect the reticle of the field of view instrument. Record the readings of the left (or top) and right (or bottom) intersection points of the reticle. The sum of these two readings will give the field of view of the tested product.
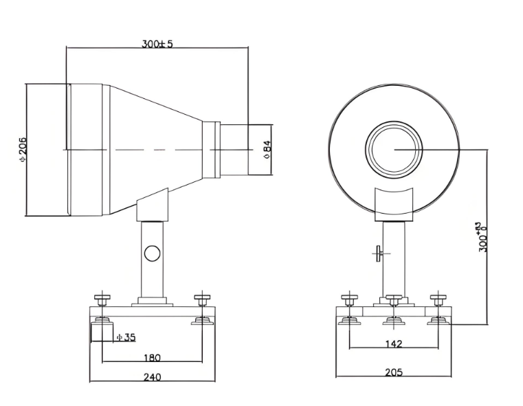
DIMENSIONS(unit:mm)


