FP-5000FK-300 Coaxial Cassegrain Collimator

The coaxial Cassegrain collimator is a high-precision optical instrument designed to produce high-quality parallel light beams. Based on the traditional Cassegrain telescope design, it features a compact structure, wide spectral range, chromatic aberration-free performance, and ease of installation and maintenance.

FP-5000FK-300 Coaxial Cassegrain Collimator

Detailed Description

Introduction:

The coaxial Cassegrain collimator is a high-precision optical instrument designed to produce high-quality parallel light beams. Based on the traditional Cassegrain telescope design, it features a compact structure, wide spectral range, chromatic aberration-free performance, and ease of installation and maintenance. It is suitable for applications within a limited field of view, providing exceptional image quality and optical efficiency. The primary and secondary mirrors are symmetrically aligned along the same axis, resulting in a simplified system structure and stable optical performance, making it ideal for applications requiring precise parallel light.

Key Functions:

  1. Optical axis alignment for multi-axis systems in visible, infrared, and laser wavelengths.
  2. Basic parameter testing of optical systems using various reticles and additional accessories.
  3. Infrared imaging quality testing and optical axis alignment with a blackbody source.
  4. Provides ultra-low divergence angle parallel light.
  5. Simulates an infinite target.

Optical path diagram:

Standard Components:

1.Collimator Main Unit: 1 set

2.Filters: 2 pieces (Orange, center wavelength 600nm; Green, center wavelength 532nm)

3.Attenuator: 1 piece (Neutral Attenuator 430–730nm)

4.Visible Reticles: 12 pieces(Crosshair Reticles*1,Resolution Reticles*5:1#/2#/3#/4#/5#,Star Point Reticles*5: 0.1/0.2/0.01/0.02/0.05,Porro Board*1)

5.USAF 1951 Resolution Reticle: 1 piece

6.Light Source Assembly: 1 set( 12V30W Halogen Light Source)

7.Motorized Target Wheel: 1 set (8 positions)

 

Custom Components (Applicable to Infrared Reticles):

Infrared targets are formed by machining various patterns into thin metal plates. When illuminated by a blackbody source, the thermal imager under test observes sharp target patterns against a uniform background. A variety of standard infrared targets are available for customization.

Examples of Targets:

  1. Four-Bar Target: For Minimum Resolvable Temperature Difference (MRTD) testing.
  2. Circular Target: For Minimum Detectable Temperature Difference (MDTD) testing.
  3. Slit Target: For Slit Response Function (SRF) testing.
  4. Cross-Circle Target: For axis alignment, aiming, and focusing.
  5. Distortion Target: For testing camera distortion in image generation.
  6. Outline Target: For evaluating target recognition range of the camera under test.
  7. Square Target: For testing Noise Equivalent Temperature Difference (NETD), Fixed Pattern Noise (FPN), Signal Transfer Function (SITF), and Aperiodic Transfer Function (ATF).

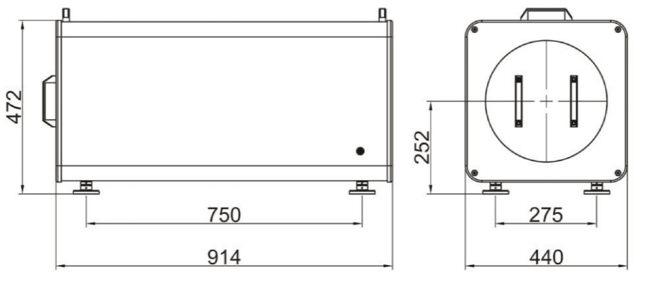
External dimensions:(Unit: mm)

Specification Data

TitleContent
Focal length5000mm(±1%)
Effective caliberφ300mm
Field of view≥0.3°
Main Mirror MaterialQuartz glass/Matching:Glass-ceramic
System Wavefront AberrationRMS≥1/15λ@632.8nm
Primary Mirror Surface ShapeRMS≤1/40λ@632.8nm
Beam Parallelism≤5”
Reflectivity≥85%
CoatingAluminum +Silicon protective layer (optional:Gold/Silver/Dielectric coating)
Scroll to Top